Dodaj produkty podając kody
Dodaj plik CSV
Wpisz kody produktów, które chcesz zbiorczo dodać do koszyka (po przecinku, ze spacją lub od nowej linijki).
Powtórzenie wielokrotnie kodu, doda ten towar tyle razy ile razy występuje.
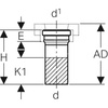
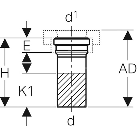
Zastosowanie: Do standardowych wpustów dachowych Geberit Charakterystyka: Króciec przyłączeniowy z PE-S2, z możliwością skrócenia Zakres dostawy: Wkład do wody budowlanej
Elementy mocujące
Izolacja przeciwroszeniowa
Opis marketingowy
Króciec przyłączeniowy z PE-S2, z możliwością skrócenia
Marka
Kod IK
Symbol
19308.969.00.1
Seria
Rodzaj towaru
Osprzęt i akcesoria do odwodnień dachowych
EAN
4025416312994
Długość towaru w centymetrach
35.4
Wysokość towaru w centymetrach
23.3
Szerokość towaru w centymetrach
29.6
Strona www producenta
www.geberit.pl
Zapytaj o produkt
Napisz swoją opinię









