Dodaj produkty podając kody
Dodaj plik CSV
Wpisz kody produktów, które chcesz zbiorczo dodać do koszyka (po przecinku, ze spacją lub od nowej linijki).
Powtórzenie wielokrotnie kodu, doda ten towar tyle razy ile razy występuje.
Dopuszczalny zakres zastosowania
*do pomp Wilo: Rexa UNI V06, Rexa PRO V06
*Maks. dopuszczalne ciśnienie w przewodzie ciśnieniowym: 6 bar
*Min. temperatura przetłaczanej cieczy: 0 oC
*Maks. temperatura przetłaczanej cieczy: 35 oC
*Min. temperatura otoczenia: 3 oC
*Maks. temperatura otoczenia: 20 oC
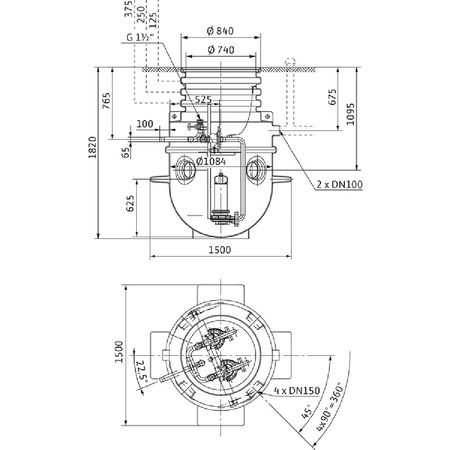
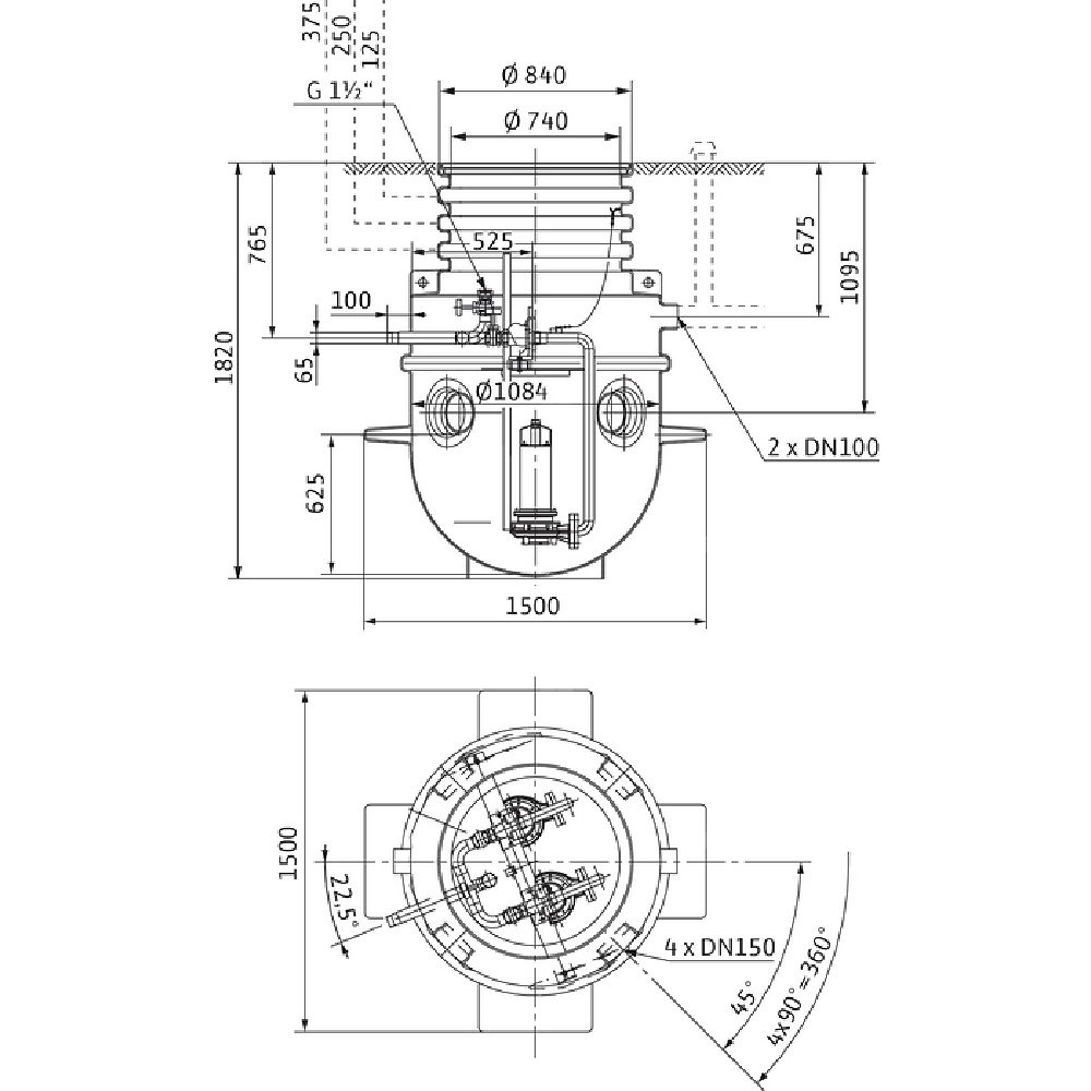
Dane techniczne
*Pojemność zbiornika: 1240 l
*Przyłącze wejścia: Ø 160
*Przyłącze wyjścia: G 2
*Odpowietrzanie:
*Materiał zbiornika:
*Długość: 1500 mm
*Szerokość: 1500 mm
*Wysokość: 1820 mm
*Masa: 115 kg
Informacje na temat umiejscowienia zamówień
*Produkt:
*Nr art.: 2506433
Zapytaj o produkt
Napisz swoją opinię










