Dodaj produkty podając kody
Dodaj plik CSV
Wpisz kody produktów, które chcesz zbiorczo dodać do koszyka (po przecinku, ze spacją lub od nowej linijki).
Powtórzenie wielokrotnie kodu, doda ten towar tyle razy ile razy występuje.
Pompa zanurzeniowa pionowa WILO Drain VC 32/10 EM żeliwo 50 Hz moc (P2)0.37 kW prędkość obrotowa2900 obr/min
Pionowa pompa do wody brudnej w ścianie nienośnej do tłoczenia mediów o temperaturze maks. 95 oC, korpus hydrauliczny z żeliwa szarego, wirnik ze stali. Przyłącze tłoczne z poziomym odpływem ciśnieniowym i gwintem wewnętrznym. Napęd następuje poprzez silnik znormalizowany w wersji na prąd zmienny, korpus silnika z aluminium. Zabezpieczenie silnika i kabel zasilający zapewnia Użytkownik. Hydraulika i silnik są sztywno połączone za pomocą wału pompy (w rurze ochronnej wału). Łożyskowanie wału pompy następuje przez łożyska ślizgowe, smarowanie łożysk ślizgowych przez przetłaczane medium. Celem automatycznej pracy zamontowano wyłącznik pływakowy. Punkty przełączania można regulować za pomocą ograniczników.
Dane eksploatacyjne
Dane produktu
*Rodzaj konstrukcji wirnika: Otwarty wirnik wielokanałowy
*Swobodny przelot kuli w systemie hydraulicznym: 5 mm
*Maks. ciśnienie robocze: 1,1 bar
*temperatura przetłaczanej cieczy: 3 oC
Dane silnika
*Przyłącze sieciowe:
*Tolerancja napięcia:
*Znamionowa moc silnika: 370
*Pobór mocy: 700
*Prąd znamionowy: 3,9 A
*Rodzaj załączania: Bezpośrednio online (DOL)
*Znamionowa prędkość obrotowa: 2900 Obroty / min
*Maks. częstotliwość załączania: 50
*Klasa izolacji: F
*Stopień ochrony:
Materiały
*Korpus pompy: EN-GJL-250
*Wirnik: Stal nierdzewna
*Wał: Stal nierdzewna
*Materiał silnika: Aluminium
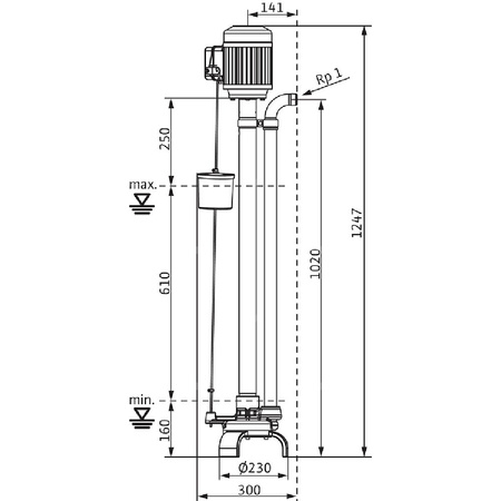
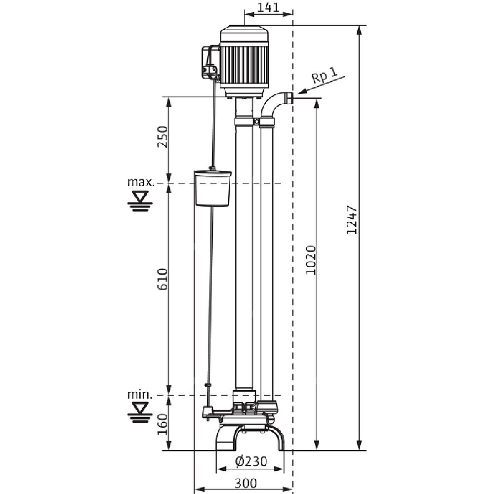
Wymiary montażowe
*Przyłącze gwintowane po stronie tłocznej: R 1
Informacje na temat umiejscowienia zamówień
*Produkt:
*Nazwa produktu: Drain VC 32/10
*Masa netto ok.: 36 kg
*Numer artykułu: 2044582
Marka
Kod IK
Symbol
812044582
Rodzaj towaru
Pompy do wody użytkowej
EAN
4016322640295
Prąd znamionowy [A]
3.9
Wysokość całkowita [mm]
1247
Maksymalna temperatura medium [°C]
95
Maks. średnica elementów stałych [mm]
5
Moc oddawana silnika (P2) [kW]
0.37
Materiał korpusu pompy
Żeliwo
Średnica normatywna przyłącza od strony tłocznej
1 cal (25)
Wyłącznik pompy
Brak
Stopień ochrony (IP)
IP55
Klasa izolacji wg IEC
F
Liczba faz
1
Zakres napięcia znamionowego [V]
230
Maks. ciśnienie robocze [bar]
1.1
Głębokość zanurzenia [mm]
0.77
Prędkość obrotowa [1/min]
2900
Średnica zewnętrzna przyłącza od strony wylotowej [mm]
25
Maks. wydajność (maks. przepływ) [m³/h]
9.5
Maks. wysokość podnoszenia [m]
11.08
Przepływ nominalny (BEP) [m³/h]
4.995
Wysokość podnoszenia przy przepływie nominalnym (BEP) [kPa]
73.32
Gatunek materiału korpusu pompy
Żeliwo GG 25 (GJL-250)
Materiał wirnika
Stal nierdzewna
Gatunek materiału wirnika
Stal kuta
Częstotliwość
50 Hz
Przyłącze po stronie wylotowej
Gwint zewnętrzny gazowy stożkowy (BSPT)
Klasa ciśnienia kołnierza przyłącza wylotowego
PN 10
Rodzaj przyłącza wylotowego
ISO 7-1 / EN 10226-1
Kształt końcówki
Inne
Długość towaru w centymetrach
32.8
Wysokość towaru w centymetrach
139
Szerokość towaru w centymetrach
37.2
Strona www producenta
www.wilo.pl
Zapytaj o produkt
Napisz swoją opinię










