Dodaj produkty podając kody
Dodaj plik CSV
Wpisz kody produktów, które chcesz zbiorczo dodać do koszyka (po przecinku, ze spacją lub od nowej linijki).
Powtórzenie wielokrotnie kodu, doda ten towar tyle razy ile razy występuje.
Pompa obiegowa WILO CronoTwin-DL-E 50/210-11/2 IE4 typu in-line z silnikiem znormalizowanym 50/60 Hz, moc silnika 11kW 20 A 2900 obr/min, wlot Kołnierz DN 50
Dławnicowa pompa podwójna o konstrukcji Inline do montażu na rurociągu lub do ustawienia na fundamencie z wbudowaną przetwornicą częstotliwości do regulacji elektronicznej m.in. wg stałej i zmiennej różnicy ciśnień (Δp-c/Δp-v)
*Budowa:
*Jednostopniowa, niskociśnieniowa pompa wirowa
*Korpus spiralny o konstrukcji Inline (przyłącze ssawne i ciśnieniowe z takimi samymi kołnierzami w jednej linii), kołnierze PN 16 - nawiercone zgodnie z EN 1092-2
*Przyłącza pomiarowe ciśnienia (R 1/8) do zamontowanego czujnika różnicy ciśnień (wersja ...-R1 bez czujnika różnicy ciśnień)
*Korpus pompy i kołnierz silnika standardowo z powłoką kataforetyczną
*Uszczelnienie mechaniczne do tłoczenia wody o temp. max. do 140oC. Do Tmax. = +40oC dopuszczalna jest domieszka glikolu wyn. od 20 do 40% pojemności
*Specjalne uszczelnienia mechaniczne przy mieszaninach wody/glikolu z zawartością glikolu inną niż 20 - 40% obj. i przy temperaturze przetłaczanej cieczy ≤ 40oC lub mediów innych niż woda (dopłata)
*Wyposażenie dodatkowe:
*Konsole do mocowania na fundamencie
*IR-Monitor
*IF-Moduł PLR
*IF-Moduł LON
*IF-Moduł Modbus
*IF-Moduł BACnet
*IF-Moduł CAN
*Systemy regulacyjne VR-HVAC/CCe-HVAC/SCe-HVAC
*Zestawy czujników różnicy ciśnień (DDG) 0-10 V do pomp w wersji ...-R1
*Wyposażenie seryjne:
*Moduł obsługi ręcznej za pomocą jednego przycisku z następującymi funkcjami:
**Pompa wł./wył.
**Ustawienie wartości zadanej lub prędkości obrotowej
**Wybór rodzaju regulacji: Δp-c (stała różnica ciśnień), Δp-v (zmienna różnica ciśnień), regulator PID, n-constant (tryb regulacji ręcznej)
**Wybór rodzaju pracy w przypadku pracy pompy podwójnej (praca/rezerwa, praca z dołączeniem)
**Konfiguracja parametrów roboczych
**Potwierdzenie błędu
*Wyświetlacz pompy wskazujący:
**Rodzaj regulacji
**Wartość zadaną (np. różnicy ciśnień lub prędkości obrotowej)
**Komunikaty o błędach i komunikaty ostrzegawcze
**Wartości rzeczywiste (np. poboru mocy, wartości rzeczywistej czujnika)
**Dane robocze (np. godziny pracy, zużycie energii)
**Dane dotyczące stanu (np. stan przekaźnika SSM i SBM)
**Dane urządzenia (np. nazwa pompy)
*Funkcje dodatkowe:
*Interfejsy: Wejście sterujące „Wyłączanie z priorytetem”, „Zewnętrzna zamiana pomp”, wejście analogowe 0-10 V, 2-10 V, 0-20 mA, 4-20 mA do trybu sterowania (DDC) lub do zdalnej regulacji wartości zadanej, wejście analogowe 0-10 V, 2-10 V, 0-20 mA, 4-20 mA dla sygnału wartości rzeczywistej czujnika ciśnienia, złącze na podczerwień do komunikacji bezprzewodowej za pomocą urządzenia kontrolno-serwisowego Wilo-IR-Stick/IR-Monitor, gniazdo na IF-Moduły Wilo do podłączenia do automatyki budynku, konfigurowana, bezpotencjałowa sygnalizacja awarii i pracy/stanu gotowości, interfejs do komunikacji z pompami podwójnymi
*Silnik indukcyjny trójfazowy z przetwornicą częstotliwości
*Zintegrowany system zarządzania pracą pomp podwójnych
*Możliwość ustawienia częstotliwości zamiany pomp
*Zintegrowane pełne zabezpieczenie silnika
*Różne rodzaje pracy do zastosowania w instalacjach grzewczych (HV) lub klimatyzacyjnych (AC)
*Blokada dostępu
*Różne poziomy obsługi ręcznej: Standard/serwis
Dane eksploatacyjne
*temperatura przetłaczanej cieczy: -20 oC
*temperatura otoczenia: 0 oC
*Maks. ciśnienie robocze: 16 bar
*: 16 bar do 120oC, 13 bar do 140oC
*Wskaźnik minimalnej energochłonności (MEI): 0,4
Dane silnika
*Klasa sprawności energetycznej silnika:
*Generowanie zakłóceń:
*Odporność na zakłócenia:
*Przyłącze sieciowe: 3~380 V, 50/60 Hz 3~400 V, 50/60 Hz 3~440 V, 50/60 Hz
*Moc znamionowa : 11000
*Prędkość obrotowa maks.: 2900 Obroty / min
*Prąd znamionowy: 20,2 A
*Klasa izolacji: F
*Stopień ochrony silnika:
*Zabezpieczenie silnika:
Materiały
*Korpus pompy: EN-GJL-250
*Wirnik:
*Wał: Stal nierdzewna
*Uszczelnienie wału: AQ1EGG
*Latarnia: 5.1301, KTL-beschichtet
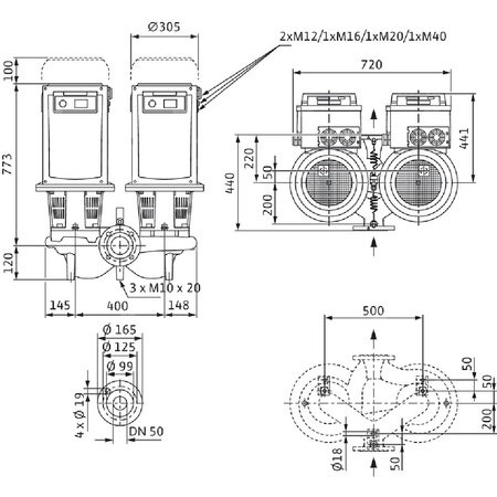
Wymiary montażowe
*Przyłącze gwintowane po stronie ssawnej: DN 50
*Przyłącze gwintowane po stronie tłocznej: DN 50
*Długość montażowa: 440 mm
Informacje na temat umiejscowienia zamówień
*Produkt:
*Nazwa produktu: CronoTwin-DL-E 50/210-11/2
*Masa netto ok.: 392,5 kg
*Numer artykułu: 2153807
Marka
Kod IK
Symbol
812153807
Rodzaj towaru
Pompy do wody użytkowej
EAN
4048482549279
Prąd znamionowy [A]
20
Długość wbudowania [mm]
440
Moc oddawana silnika (P2) [kW]
11
Prędkość obrotowa [obr/min]
2900
Podwójna pompa
1
Częstotliwość
50/60 Hz
Stopień ochrony (IP)
IP55
Klasa izolacji wg IEC
F
Liczba faz
3
Temperatura otoczenia [°C]
40
Zakres napięcia znamionowego [V]
400
Maks. ciśnienie robocze [bar]
16
Średnica zewnętrzna przyłącza od strony wylotowej [mm]
50
Maks. wydajność (maks. przepływ) [m³/h]
112
Przepływ nominalny (BEP) [m³/h]
84.6
Wysokość podnoszenia przy przepływie nominalnym (BEP) [kPa]
460.52
Wskaźnik minimalnej sprawności (MEI)
0.4
Silnik standardowy
1
Materiał korpusu pompy
Żeliwo
Gatunek materiału korpusu pompy
Żeliwo GG 25
Materiał wirnika
Żeliwo
Gatunek materiału wirnika
Żeliwo GG 20
Przyłącze od strony wlotowej
Kołnierz
Średnica nominalna przyłącza od strony wlotowej
DN 50
Klasa ciśnienia kołnierza przyłącza wlotowego
PN 16
Rodzaj przyłącza wlotowego
EN 1092-2
Przyłącze po stronie wylotowej
Kołnierz
Średnica nominalna przyłącza od strony wylotowej
DN 50
Klasa ciśnienia kołnierza przyłącza wylotowego
PN 16
Rodzaj przyłącza wylotowego
EN 1092-2
Kształt końcówki
Okrągły
Klasa efektywności energetycznej silnika
IE4
Długość towaru w centymetrach
80
Wysokość towaru w centymetrach
80.5
Szerokość towaru w centymetrach
120
Strona www producenta
www.wilo.pl
Zapytaj o produkt
Napisz swoją opinię










