Dodaj produkty podając kody
KESSEL Urządzenie przeciwzal. Pumpfix F, ścieki fekalne, z pompą zatapialną SPZ 1000, wielkość nominalna (DN) 150, typ pokrywy pokrywa ochronna, zamknięcie Zamknięcie zatrzaskowe, rozpoznawania poziomu Sonda optyczna
- Urządzenie przeciwzalewowe: wykorzystuje naturalny spadek do kanału, pompa pracuje tylko podczas przepływu zwrotnego
- Elastyczna zabudowa, dostępne różne pokrywy z funkcją wpustu przy zabudowie w płycie podłogowej
- Cicha praca i oszczędność energii
Urządzenie przeciwzal. Pumpfix F DN 150, swobodny
Urządzenie przeciwzalewowe klasy premium do ścieków zawierających fekalia i bez fekaliów jest wyposażone w pompę i system zamykania za pomocą silnika. W normalnym stanie przekrój rury jest otwarty. W przypadku przepływu zwrotnego system zamykania za pomocą silnika zostaje automatycznie zamknięty. Odprowadzanie w trakcie fazy przepływu zwrotnego odbywa się przez pompę ze zintegrowanym mechanizmem rozdrabniającym. Sterowanie następuje przy pomocy przyjaznego dla użytkownika urządzenia sterującego, które można opcjonalnie poprzez kontakt bezpotencjałowy włączyć w system zarządzania budynkiem lub które może poprzez złącze GSM generować komunikaty zbiorcze o alarmach i zakłóceniach.
Wersja
- Zamknięcie awaryjne: tak
- Sterowanie pompą: sterownik
- Stopień ochrony sondy: IP 68 (3 m / 48 h)
- Klapy zwrotne napędzane silnikiem: 1
Cechy ogólne
- Kolor: czarny
- Wielkość nominalna (DN): 150
- Średnica zewnętrzna (DA): 160 mm
- Typ ścieków: Ścieki zawierające fekalia
- Sposób zabudowy: swobodny przewód kanalizacyjny
- Stan w momencie dostawy: wstępnie zmontowany do montażu końcowego w miejscu instalacji (pompy i czujniki do zamontowania w miejscu instalacji, urządzenie sterownicze do podłączenia)
- Aprobata: Z-53.2-388
- Typ silnika: KSM 140
- Stopień ochrony silnika: IP 68 (3 m / 48 h)
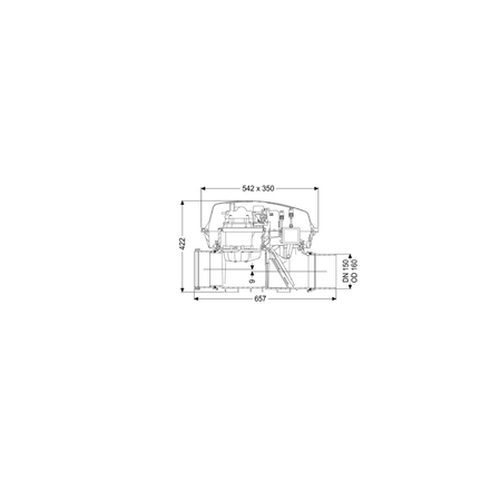
Wymiary
- Ciężar netto: 22,27 kg
- Ciężar brutto: 22,41 kg
- Spadek: 9 mm
- Głębokość zabudowy: 500 - 640 mm
- Długość: 656 mm
- Szerokość: 350 mm
- Wysokość: 422 mm
- Wymiar opakowania: dł.: 785 mm
- Wymiar opakowania: szer.: 385 mm
- Wymiar opakowania: wys.: 465 mm
Zbiornik/korpus
- Wariant króćca: Z króćcem bosym i kielichem
Cechy pokrywy
- Typ pokrywy: pokrywa ochronna
- Materiał pokrywy: Tworzywo sztuczne
- Kolor pokrywy: przezroczysty
- Pokrywy, Szerokość: 350 mm
- Pokrywy, Wysokość: 165 mm
- Pokrywy, Długość: 542 mm
- Blokada: Zamknięcie zatrzaskowe
Przenośnik
- Pompa: SPZ 1000
- Liczba pomp: 1
- Ciężar, pompa: 10 kg
- Typ przyłącza: Wtyczka kodowana
- Prąd znamionowy: 5,2 A
- Długość przewodu sieciowego pompy: 5 m
- Klasa ochrony: I
- Klasa izolacji: F
- Współczynnik mocy Cos phi: 0,97
- Stopień ochrony pompy: IP 68 (3 m / 48 h)
- Nadzór temperatury: zintegrowany
- Maks. temperatura tłoczonego medium (przy pracy stałej): 40 °C
- Maks. wydajność tłoczenia: 11,5 m³/h
- Maks. wys. podnoszenia: 10 m
- Prędkość obrotowa: 2800 U/min
- Pobór mocy P1: 1,2 kW
- Pobór mocy P2: 0,69 kW
- Tryb roboczy: S3 - 50%
- Wymagane zabezpieczenie (zabezpieczenie linii): C 16 A
- Typ przewodu przyłączeniowego pompy: H07RN-F 3G 1,5 mm²
- Typ wirnika: Mechanizm rozdrabniający
- Typ przewodu przyłączeniowego silnika: ÖPVC-JB/OB 300/500 V/3 x 0,75 mm2 mm²
- Typ przewodu przyłączeniowego sondy: ÖPVC-JB/OB 300/500 V/3 x 0,75 mm2 mm²
Sterowanie
- Sterownik: Comfort
- Czujnik alarmowy: Sonda optyczna
- Instrument do rozpoznania poziomu: Sonda optyczna
- Typ pomiaru poziomu: optyczny
- Stopień ochrony sterowniku: IP 54
- Napięcie robocze: 230 V
- Typ przyłącza: Wtyczka kodowana
- Długość przewodu sieciowego sterownik: 1,4 m
- Kontakt bezpotencjałowy: opcjonalny
- Złącze GSM: tak
- Złącze USB: tak
- Funkcja dziennika zdarzeń: tak
- Wyświetlacz wielowierszowy: tak
- Podtrzymywanie bateryjne: tak
- System samodiagnozy (SDS): tak
- Prąd znamionowy: 5,2 A







